Sortuj według marki
Darmowa dostawa

Waluty
Tłumaczenie
Wyszukiwarka
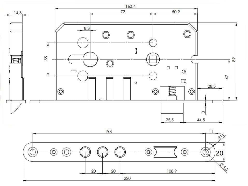
ROM 16 Zamek główny 72/50 czoło 20mm
Cena regularna:
Cena regularna:
towar niedostępny
dodaj do ulubionych
Opis
informacje dodatkowe:
ZAMEK WPUSZCZANY ATESTOWANY 72/50 ROM 16
Zamek ROM 16 świetnie nadaje się do montowania w drzwiach wejściowych.
Jego konstrukcja oparta jest na najwyższej jakości materiałach (również elementy hartowane).
Zamek posiada Certyfikat klasy 7 w zakresie zabezpieczenia według .
Został przebadany przez Laboratorium Badań Mechanicznych Urządzeń Zabezpieczających Instytutu Mechaniki Precyzyjnej.
-Trzy masywne, stalowe rygle
-Wykonanie piasty orzecha klamki z wysokiej jakości materiałów.