Sortuj według marki
Darmowa dostawa

Waluty
Tłumaczenie
Wyszukiwarka
MOTTURA Zamek nawierzchniowy 30652 z zatrzaskiem / pompa
Cena regularna:
Cena regularna:
towar niedostępny
dodaj do ulubionych
Opis
MOTTURA Zamek nawierzchniowy 30652 z zatrzaskiem / pompa
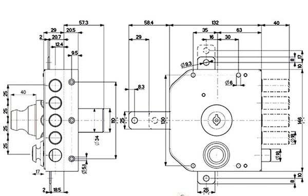
Zamek nawierzchniowy rozporowy do drzwi wejściowych ze zwrotnicą
włoskiej firmy MOTTURA
Solidny, 4 bolcowy+zatrzask / ryglowy zamek nawierzchniowy do drzwi wejściowych z dodatkową zwrotnicą do ryglowania.
Od strony wewnętrznej wygodne duże pokrętło do zamykania.
Zamek w kolorze brązowym.
W komplecie:
- zamek
- zwrotnica
- pręty pionowe i poziome
- śruby i elementy montażowe