Sortuj według marki
Darmowa dostawa

Waluty
Tłumaczenie
Wyszukiwarka
Euro-Locks Zamek krzywkowy C102 kwadratowy SUM MALOW 3 pkt
Cena regularna:
Cena regularna:
towar niedostępny
dodaj do ulubionych
Opis
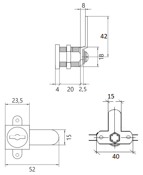
ZAMEK KRZYWKOWY KWADRATOWY EURO-LOCKS , TRZY PUNKTOWY D0 SZAFEK BRANIOWYCH SUM MALOW
Zamek do szaf szafek metalowych ubraniowych, schowkowych, odzieżowych, pracowniczych, BHP, śniadaniowych i podobnych na klucz z ryglem - haczykiem - zapadką 3 punktową. Idealnie pasuje do szaf typu SUM, firmy MALOW
Dostarczany w komplecie z nakrętką mocującą. W zestawie 2 klucze.